Schema Cablage Citroën Usa [view 19+] Schema De Cablage Electrique Mehari
Notices pdf schema electrique citroen ~ schéma câblage et branchement. Citroën 2 cv : circuits et équipements électriques. Citroën revue
schema cablage citroën usa
Download PDF
Citroën revue


L'institut citroën electricite electronique. [view 19+] schema de cablage electrique mehari. Schema electrique c5 phase 2. Faisceau r19 tiny mehari cablage elec echappement iu
Citroën 2 CV : circuits et équipements électriques - Minute-Auto.fr
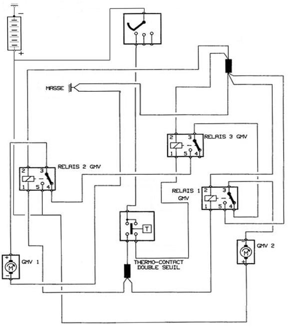
L'INSTITUT CITROËN ELECTRICITE ELECTRONIQUE
Schema Electrique C5 Phase 2
Revue technique automobile Peugeot 807 et Citroën C8: Schémas
Notices Pdf Schema Electrique Citroen ~ schéma câblage et branchement

Tidak ada komentar:
Posting Komentar